雷竞技真人首页-I直流电源

雷竞技raybet在线官网

为您提供高稳定性、快速响应、方便集成的可编程直流电源

直流电源在大功率变压器线圈绕组测试中的应用

发布时间:09-07 08:40 浏览量:1453

发布时间:2022年1月22日   

测量大功率变压器的线圈电阻(20 MVA-100 MVA)


尽管变压器线圈电阻的值不需要制造商保证,但我们知道他是根据测量的温度(正常值是75摄氏度)或在温度测量时确定线圈的温度上升而进行推算的必要条件。线圈电阻通常表示欧姆电阻——线圈的直流电阻。

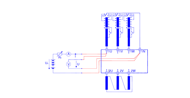
根据电流电压法测量线圈电阻的测量,给被测设备加载一个直流电流。电流I是用安培表来测量的,电压降与电压表的未知电阻R有关。两者的读数是同时完成的。未知电阻可以根据欧姆定律计算出来:R=U/I

线圈的每一相都是分开测量的。因为它是在变压器线圈性能由一个大电流诱导性而被改变,瞬时激活过程在直流电源开启后由于直流电流的影响程度不同,测量回路的时间常数和预磁化是核心。

U0:  直流电源

Rv:  可变电阻

A:   安培表

V:   电压表

U:   未知电阻 Rx 的电压降

I:    通过未知电阻Rx 的电流

为了达到测量回路的短时间常数,可变电阻应尽可能高。这需要直流电源输出的高电压U0,因此,当被完全磁化后,测量目标的直流电流就会达到一个足够高的水平。

测量过程完成后,直流电流回路不能被中断。由于电流的快速变化,在DUT中会产生高电压,这对工作人员和设备都是危险的。因此,直流电源必须缓慢地调节。作为一个选项,在电流回路被打断之前,需要一个电阻与DUT并联。

经过几个星期的测试,app雷竞技 的直流电源已被证明是一个W美的适合实现一个合适的磁化/消磁过程的核心。这对于以适当的方式进行电阻测量是至关重要的。此外,该特性-在高电压和电流水平上保持稳定-对于特殊电阻测量是必要的,因为技术原因需要快速磁化。

实验室程控电源LABKON P系列

我们的竞争对手设备没有达到要求。这种控制是错误的,在运行了大约6个月之后,设备就崩溃了。

推荐型号:SSP3000-80V-75A 

获取更多信息,请联系雷竞技真人首页高美测仪(天津)科技有限公司。

集团介绍

高美测仪(天津)科技有限公司于2009年2月在天津高新区注册成立,是雷竞技真人首页-Instruments在中国的子公司,以推广宣传GMC-Instruments品牌,技术和产品为己任,并提供本地化的技术支持和服务。GMC-Instruments主要产品包括:

电气安全/安规测试仪,绝缘/接地测试仪,数字模拟多用表,电能质量分析仪,高精度直流电源,多功能电量表,能源管理系统,测量传感器/变送器,角位变送器,各种记录仪等。

相关新闻推荐

固话:021-63801098

手机:+86 13817443004

邮箱:sales@gmci-china.cn

地址:上海松江研展路455号汉桥文化科技园B座703

德国雷竞技raybet在线官网  版权所有Copyright © 雷竞技raybet在线官网

备案号:沪ICP备19048208号-4     沪公网安备31011702889688

Baidu
map